MCB 125 T

Original- och bruksrenoveringar samt Custombyggen.
Mcb80ts
Inlägg: 218
Blev medlem: 16 apr 2016, 11:09

Re: MCB 125 T

Inlägg av Mcb80ts »

image.jpg
image.jpg
image.jpg
Var ute och provade crossen igår trots att det kommit mer snö.. Blir svårare såklart om man inte har dubb på.
Iaf så Verkar som den har fått mkt soppa bland annat, och gick inte alls nå bra innan gårdagen.
Försökte med att sätta nålen ett steg ner 3/5 och det gjorde stor skillnad! Så nu är det o vänta på barmark så det går finjustera och hoppas det går 100 då.
Förövrigt så kanske jag har hittat en ny skärm bak! Får se om den dyker upp i början av veckan.

Och letar efter en kromad rambåge fortfarande och båda skärmar då. Har en tank att byta mot om intresse finnes från någon här..
Ha det!
Användarens profilbild
Lolalola
Moderator
Inlägg: 3150
Blev medlem: 25 jun 2010, 23:00

Re: MCB 125 T

Inlägg av Lolalola »

Stenhård! :thumb:
Mcb80ts
Inlägg: 218
Blev medlem: 16 apr 2016, 11:09

Re: MCB 125 T

Inlägg av Mcb80ts »

image.jpg
Hehe jo :D jag har funderat på om jag inte ska ta o byta styre igen, det som satt när jag köpte den.. Vad tror?
Mcb80ts
Inlägg: 218
Blev medlem: 16 apr 2016, 11:09

Re: MCB 125 T

Inlägg av Mcb80ts »

L
Senast redigerad av Mcb80ts den 24 mar 2018, 13:50, redigerad totalt 1 gång.
Mcb80ts
Inlägg: 218
Blev medlem: 16 apr 2016, 11:09

Re: MCB 125 T

Inlägg av Mcb80ts »

image.jpg
image.jpg
Jag fick för mig att jag skulle kolla tändning då det kändes att det aldrig riktigt tände till när jag skulle kicka igångsttssss o svårstartad som tusan! Jag köpte ett avdragar set på Biltema som verkar vara riktigt bra.
Provade med att "höja" genom att bara ett par mm vrida tändplattan!
Det vart skitbra, betydligt mycket bättre! går mkt bättre på tomgång och över hela registret!
Nu är det bara finjustera förgasaren för att få ut Max, ska ta mig tid i helgen.
/andre
Användarens profilbild
billykid
Forumsponsor
Inlägg: 3443
Blev medlem: 16 jan 2010, 00:00
Ort: Norra Dalarna

Re: MCB 125 T

Inlägg av billykid »

Hallo Mcb80ts.. :!:

Har ganska mycket infos å fakta om alla Motoplat, då jag kört med dessa system utan problem. Fått lära mig
det mesta om Motoplat den dyra vägen, vilket som passar ihop och ej går.... :cry:

Det är olika tändspolar(de ser lika ut utvändigt) till olika Motoplat statorer, går ej att mixtra ihop hur som helst.
Förtändningen på alla Motoplat ligger på ca. 1,00 till 1,50 mm ej mera. Jag kontrollerar med stroboskop lampa.

Har är bilder på tändnings inställning av SACHS 125cc........Är EJ allt original, funkar ej denna kontroll eller
inställning. Bäst är kontroll med stroboskop lampa. Gör en egen bra markering med bra tuschpenna...... 8)
Motoplat  125cc  17.jpg
Å här är El-kopplings schemat...............
Bilagor
Motoplat  125cc  19.jpg
Mcb80ts
Inlägg: 218
Blev medlem: 16 apr 2016, 11:09

Re: MCB 125 T

Inlägg av Mcb80ts »

Tack billykid för all info! Det motoplat jag har satt inte original på denna -71, tror de kom 72? Men iaf så är det ett Bosch som är det korrekta, vilket jag också har. Saknar tändspole till det men har beställ av b lagerblad som jag får efter helgen. Så får se om jag byter då så jag kan koppla lyse mm. Frågan är om det kanske är ett bättre alternativ att använda motoplat, frågan är ju bara hur jag ska fixa lyset då... Ser ut som att jag har en svart och en grön kabel från tändplattan, vad betyder det? Hur får jag lyse enklast med det motoplat som jag har egentligen?
Nu vill jag få nån ordning på bakskärmen med, behöver bara få tag i mått för lampa mm.
Med vänliga häls /andre
Användarens profilbild
Micke S
Forumsponsor
Inlägg: 5469
Blev medlem: 15 sep 2012, 23:00
Ort: Västerås

Re: MCB 125 T

Inlägg av Micke S »

HPI2 finns att köpa med rätt kona för din motor och för medurs rotation på svänghjulet. Då får du också tändkurva för 2T och en kraftig generator. Det fungera bra på en 125a men nackdelar är att svänghjulet är lite för lätt för att hjälpa runt motorn bra på låga varv och att deras lösning med få ljusspolar som inte täcker hela varvet gör att lyset blinkar så läge man inte varvar på ordentligt.
Vinnare i E-tuna backtävling juni 2015, 2:a i Hallsta backtävling 2016. Vinnare i E-tuna backtävling juni 2017 och vinnare i Hallsta backtävling 2017. Tvåa i Sura backtävling 2018. Vinnare i E-tuna backtävling 2018
Användarens profilbild
billykid
Forumsponsor
Inlägg: 3443
Blev medlem: 16 jan 2010, 00:00
Ort: Norra Dalarna

Re: MCB 125 T

Inlägg av billykid »

Hoj!
Ja som Micke tippsar om är ett bra alternativ. Här är ett till tipps mera som det vanliga Bosch systemet.

Det var någon här på forumet som köpte ett sådant här...ej nån Watt info.. :wink:
http://www.rnmotor.eu/sachs-5-6-vxl/el- ... p-mfl.html" onclick="window.open(this.href);return false;
ttt.JPG
Har även ett original BOCHS brytar system till salu utan T-Spole om det skulle vara av nåt intresse..?
PS Mcb80ts...om du taralar om exkta färgerna + antal ut från den/din Motplat stator som du har,
så kan jag ge dig mycket bättre tipps. Annars är det troligen bara gissningar från mig tyvärr.

Tror denna T-spole utan påliggande passar SACHS T-system mfl med BRYTARE 185kr + shipping!
http://www.norscand.com/mopeddelar-1997 ... vandigtill" onclick="window.open(this.href);return false; brytar system 18


Själv har jag hittat naturligt vis ett Motoplat Special, ser ur lite som HPI. Ytter.diam: 100 mm 12V/85W klara lätt
en H4 lampa som jag själv tänkt använda på min SACHS Cross 50cc... 8)
motoplat.001.jpg
Nr_12W85W.00.jpg
Mcb80ts
Inlägg: 218
Blev medlem: 16 apr 2016, 11:09

Re: MCB 125 T

Inlägg av Mcb80ts »

image.jpg
Okej, jag ska kika över mitt Bosch system ordentligt och se om jag sätter på det eller inte! Men jag tackar för all info och tips! kommer få spolen idag tror jag!
Ska bli spännande att se din 50cc cross ta form! :)
Jag provade ställa om tändningen lite till och blir att testa i eftermiddag! Provade kicka och startade på första kicken och lät mkt bra, men blir att köra senare!
Användarens profilbild
billykid
Forumsponsor
Inlägg: 3443
Blev medlem: 16 jan 2010, 00:00
Ort: Norra Dalarna

Re: MCB 125 T

Inlägg av billykid »

Original BOSCH brytar system funkar bra det med. Fått uppgifter att över 10.000 Rpm så hinner ej brytarna riktigt.
Troligen så kommer du inte att varav så mycket skulle jag tro, nackdelen är att du bara har 35w till fram lyset... :!:

Tändspolen har nog nummer Old number: 0 283 109 000 ___Nya Nr: 0 212 940 001 passande ersättare
___ http://www.rinab.nu/moped-klass-2-a/Puc ... 220098.htm" onclick="window.open(this.href);return false; 179kr

Så här är nog färgerna på kablarna original...Fyra spolar. 2 st stora + 2 st mindre 6V 35/18/5W
Gul/(Röd) = Lyse_____Grå = Baklyse____Grön/(Röd) = Bromsljus____Blå = Dödare + Tändning till T-spolen
PS grå-kabel går direkt till bakljuset. Här finns även Ohm tal blå texten om du vill kontrollera spolarn..

Bild...Nummer...Ohm
SACHS 50S Bosch.Stator 6v58w_1972.jpg
Ett beg. som jag har....syns kablarna tydligt...Bild_XXX.
Bilagor
stator_kablar.jpg
Senast redigerad av billykid den 23 apr 2017, 16:12, redigerad totalt 4 gånger.
Mcb80ts
Inlägg: 218
Blev medlem: 16 apr 2016, 11:09

Re: MCB 125 T

Inlägg av Mcb80ts »

image.jpg
image.jpg
Hej! Nu tänkte jag be om din hjälp billykid! Jag har beslutat att byta till original Bosch tänsystem! Jag vill ju ha lyktan mm fungerande! sedan verkar den väldigt ojämn i tändningen mitt motoplat.. Har jag fått för mig iaf! Det jag undrar är hur ska jag koppla?
Vilka kablar ska gå till tändspolen osv. Jag har ingen omkopplare ännu, men verkar ha funnit en med original kabelstam, men det tar jag senare vad gäller lyse mm. Vill bara få den att gå någorlunda!
Kan du ge mig några tips billykid?
Mcb80ts
Inlägg: 218
Blev medlem: 16 apr 2016, 11:09

Re: MCB 125 T

Inlägg av Mcb80ts »

Ser ju att mina frågor är besvarade ovan :lol:
Men jag har ju två "uttag" på spolen och förutom den blå, vilken andra ska vara där? Tacksam för hjälp!!
Användarens profilbild
billykid
Forumsponsor
Inlägg: 3443
Blev medlem: 16 jan 2010, 00:00
Ort: Norra Dalarna

Re: MCB 125 T

Inlägg av billykid »

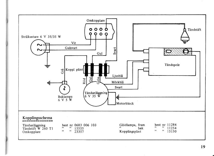
Hallo!

Blå kabel tillpos.Nr1 på T-spolen. Andra anslutningen pos.Nr 15 till jord.
Enklaste och tydligt El schema från en Herkules K50. Monark har lika system, kable färgerna till T-låset/Strålkastare
kan skilja, du har troligen ej nått tändningslåset utan blå/kabel till dödar knappen. Hur enkelt som helst.... :wink:
K50_1970.JPG
Svårläst elschema....blå/kable hur den går....
Bilagor
el50_4lkh.jpg
Användarens profilbild
erlan
Forumsponsor
Inlägg: 7311
Blev medlem: 28 jan 2011, 00:00
Ort: engelsberg

Re: MCB 125 T

Inlägg av erlan »

Mcb80ts skrev:
image.jpg
image.jpg
Hej! Nu tänkte jag be om din hjälp billykid! Jag har beslutat att byta till original Bosch tänsystem! Jag vill ju ha lyktan mm fungerande! sedan verkar den väldigt ojämn i tändningen mitt motoplat.. Har jag fått för mig iaf! Det jag undrar är hur ska jag koppla?
Vilka kablar ska gå till tändspolen osv. Jag har ingen omkopplare ännu, men verkar ha funnit en med original kabelstam, men det tar jag senare vad gäller lyse mm. Vill bara få den att gå någorlunda!
Kan du ge mig några tips billykid?
här har ju någon varit och bytt minst två kablar. så här bör du ju följa kablarna, och se så dom går till rätt ställe.
den blå bör gå till brytare/kondensator/generatorspole.
den grå till den minsta ljusspolen.
sen skulle det varit en gul till största ljusspolen,
och en grön till mellanstora ljusspolen.

erlan
Skriv svar